关闭
网站首页
产品展示
关于我们
新闻中心
企业相册
下载中心
联系我们

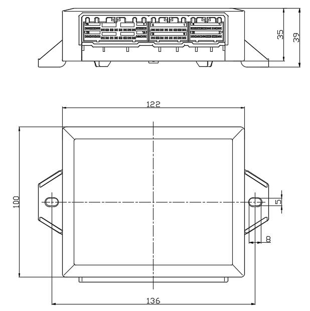
EBX-964(无钥匙控制模块)

适配车型: 工程机械; 商用车; 新能源车; 乘用车等;
  • 热线电话

    13974885210

  • 微信公众号

    扫一扫,立即报价

13974885210





主要技术规格:

A. 电源输入工作电压范围18~32V;

B. 工作温度范围:-30℃~+85℃;

C. 贮存温度范围:-40℃~ +90℃;

D. 静态电流≤5mA。

E. 调制方式:ASK;

F. 低频发射频率125kHz±5%,控制器接收频率433.92MHz±300kHz;

G. 防护等级:IP53

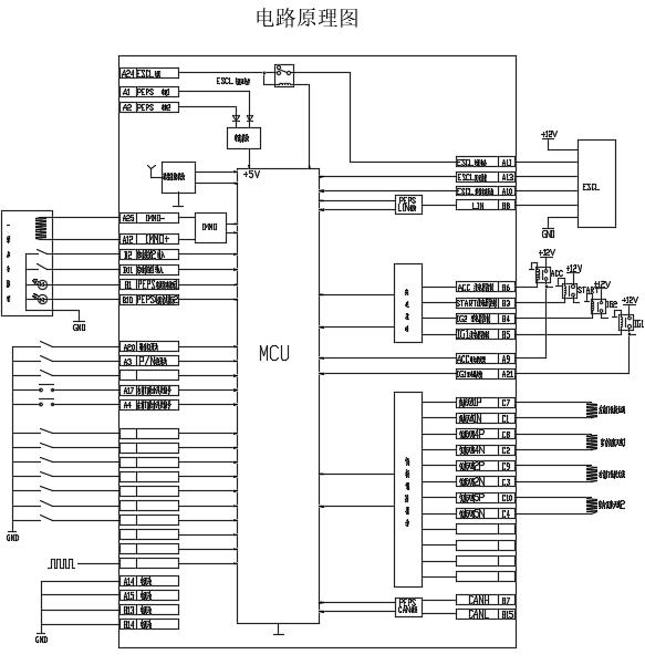
主要功能:

配合电子转向柱锁、智能遥控器、一键启动开关、低频天线及档位开关一起形成PEPS系统,实现无钥匙进入和无钥匙启动功能。

其他产品
相关文章
我要询价
×