关闭
网站首页
产品展示
关于我们
新闻中心
企业相册
下载中心
联系我们

TDK-902(一键启机开关)

适配车型: 工程机械; 商用车; 新能源车; 乘用车等;
  • 热线电话

    13974885210

  • 微信公众号

    扫一扫,立即报价

13974885210




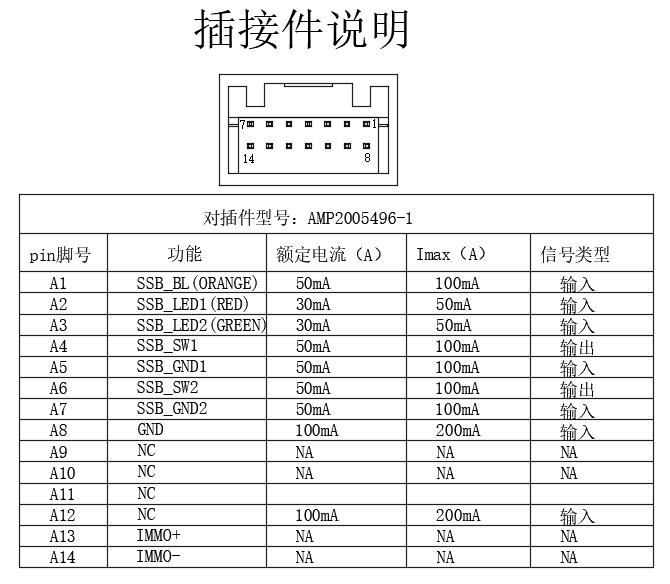
主要技术规格:

A. 工作电压范围18 ~ 32V;

B. 工作温度范围:-30℃~+85℃;

C. 贮存温度范围:-40℃~ +90℃;

D. 按键力:5±1.5N;

F. 按键耐久:>50000次;

G. 电压降≤100mA;

H. 按键行程:2.5mm;

I. 背景灯颜色:白色;功能灯:橘黄色;

J. 防护等级:IP53

其他产品
相关文章
我要询价
×