关闭
网站首页
产品展示
关于我们
新闻中心
企业相册
下载中心
联系我们

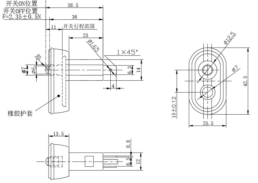
TDK-908(门灯开关(两脚)

适用车型:工程机械; 商用车; 新能源车; 乘用车等;
  • 热线电话

    13974885210

  • 微信公众号

    扫一扫,立即报价

13974885210






主要技术规格:

A. 工作电压范围18 ~ 32V;

B. 工作温度范围:-30℃~+85℃;

C. 贮存温度范围:-40℃~ +90℃;

D. 电压降≤15mA;

E. 开关耐久:>100000次;

F. 操作力:≤15N;

J. 防护等级:IP54

适配护套:

DJ7013-6.3-21

其他产品
相关文章
我要询价
×