关闭
网站首页
产品展示
关于我们
新闻中心
企业相册
下载中心
联系我们

EBX-2208(雨刮控制器)

商用车; 新能源车; 乘用车等;
  • 热线电话

    13974885210

  • 微信公众号

    扫一扫,立即报价

13974885210




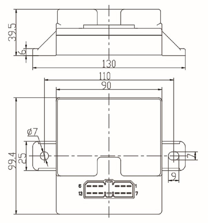
1、电源地

2、雨刮高速

3、雨刮高速

4、雨刮低速

5、雨刮低速

6、电源

7、电源地

8、雨刮回位信号输入

9、雨刮低速输入

10、雨刮高速输入

11、雨刮间歇输入

12、空

13、电源

主要技术规格:

A. 电源输入工作电压范围18~32V;

B. 工作温度范围:-30℃~+85℃;

C. 贮存温度范围:-40℃~ +90℃;

D. 静态电流≤3mA。

E. 防护等级:IP53

其他产品
相关文章
我要询价
×