

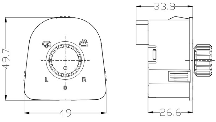
技术要求:
1、配合处理牢固、配合间隙均匀、无松动现象。
2、制品表面无收缩、划伤、花斑等缺陷。
3、按图示位置装配到位, 按键转动灵活、无卡滞、涩、迟钝等现象。
4、尺寸未注公差按附表制造。
5、额定电压: 24V 工作电压范围: 18-32V
6、工作温度范围: -40℃ -80℃ 。
7、电压降: ≤ 200mV。
8、绝缘抵抗: 在50HZ实际正弦波550V电冲击下, 各绝缘体之间
( 外壳之间、导电端子之间) 不被击穿, 绝缘电阻≥ 1MΩ 。
9、接插件插拔力: ≤ 50N 试验前后偏差不能大于± 30%。
10、开关上图形标志应符合GB 4099的规定。
11、耐久性疲劳要求: 50000次试验后性能应满足开关功能要求。
12、产品适用标准: QC T 198汽车用开关通用技术条件。